- Cheap (one bit costs only one transistor plus one capacitor)
- Slower, reading destroys content (refresh), needs special process for manufacturing
Note 1: ETH::2. Semester::DDCA
Note Type: Horvath Cloze
GUID:
B8FT@NiVSO
Previous
Note did not exist
New Note
Front
Back
- Cheap (one bit costs only one transistor plus one capacitor)
- Slower, reading destroys content (refresh), needs special process for manufacturing
Field-by-field Comparison
| Field | Before | After |
|---|---|---|
| Text | Pros and cons of Dynamic RAM (DRAM)<ul><li>{{c1::Cheap (one bit costs only one transistor plus one capacitor)}}</li><li>{{c2::Slower, reading destroys content (refresh), needs special process for manufacturing}}</li></ul> |
Note 2: ETH::2. Semester::DDCA
Note Type: Horvath Classic
GUID:
D[owgbdJ
Previous
Note did not exist
New Note
Front

Back

Note that there is a single WE signal for all latches for simultaneous writes.
This register holds 4 bits, and its data is referenced as Q[3:0].
Field-by-field Comparison
| Field | Before | After |
|---|---|---|
| Front | What is this?<br><br><img src="paste-be78c3f8e3954dfc7609bb2b8a3310972620f5c8.jpg"> | |
| Back | Here we have a register, or a structure that stores more than one bit and can be read from and written to.<br><br>Note that there is a single WE signal for all latches for simultaneous writes.<br><br>This register holds 4 bits, and its data is referenced as Q[3:0]. |
Note 3: ETH::2. Semester::DDCA
Note Type: Horvath Cloze
GUID:
GT1cT:#V..
Previous
Note did not exist
New Note
Front
- Relatively fast
- Expensive (one bit costs 6+ transistors)
Back
- Relatively fast
- Expensive (one bit costs 6+ transistors)
Field-by-field Comparison
| Field | Before | After |
|---|---|---|
| Text | Pros and cons of Static RAM (SRAM)<br><ul><li>{{c1::Relatively fast}}</li><li>{{c2::Expensive (one bit costs 6+ transistors)}}</li></ul> |
Note 4: ETH::2. Semester::DDCA
Note Type: Horvath Cloze
GUID:
GW`le=_OwA
Previous
Note did not exist
New Note
Front
Back
We just have to program connections based on SOP of the intended logic function.
Field-by-field Comparison
| Field | Before | After |
|---|---|---|
| Text | {{c1::Any::Quantity?}} logic function we wish to implement could be accomplished with a PLA. | |
| Extra | PLA consists of only AND gates, OR gates, and inverters.<br><br>We just have to program connections based on SOP of the intended logic function. |
Note 5: ETH::2. Semester::DDCA
Note Type: Horvath Occlusio
GUID:
HIk47Ngez+
Previous
Note did not exist
New Note
Front
Back
Field-by-field Comparison
| Field | Before | After |
|---|---|---|
| Occlusion | {{c1::image-occlusion:rect:left=.0089:top=.5477:width=.2313:height=.092}}<br>{{c2::image-occlusion:rect:left=.0059:top=.8424:width=.7046:height=.1459}}<br> | |
| Image | <img src="paste-cd3e2c310623833536d291253844967607e468c8.jpg"> | |
| Header | How can we select an address to read? |
Note 6: ETH::2. Semester::DDCA
Note Type: Horvath Cloze
GUID:
IjnwO_e62-
Previous
Note did not exist
New Note
Front
- Very fast, parallel access
- Very expensive (one bit costs tens of transistors)
Back
- Very fast, parallel access
- Very expensive (one bit costs tens of transistors)
Field-by-field Comparison
| Field | Before | After |
|---|---|---|
| Text | Pros and Cons of Latches and Flip-Flops:<br><ul><li>{{c1::Very fast, parallel access}}</li><li>{{c2::Very expensive (one bit costs tens of transistors)}}</li></ul> |
Note 7: ETH::2. Semester::DDCA
Note Type: Horvath Classic
GUID:
J!Fb=eJD*B
Previous
Note did not exist
New Note
Front

Back

Field-by-field Comparison
| Field | Before | After |
|---|---|---|
| Front | Addressability?<br><br><img src="paste-adeed554f607d7f9c2ae3a806f83b02c89cef624.jpg"> | |
| Back | 3-bits |
Note 8: ETH::2. Semester::DDCA
Note Type: Horvath Classic
GUID:
J}Cp1R>RJL
Previous
Note did not exist
New Note
Front

Back

Field-by-field Comparison
| Field | Before | After |
|---|---|---|
| Front | What is this functionally?<br><br><img src="paste-da1444290ceb76a444f3cae190bb00d91cbf15ff.jpg"> | |
| Back | A memory-bassed lookup table. |
Note 9: ETH::2. Semester::DDCA
Note Type: Horvath Classic
GUID:
MZTQ<6vlZH
Previous
Note did not exist
New Note
Front

Back

Field-by-field Comparison
| Field | Before | After |
|---|---|---|
| Front | What do the X's here mean?<br><br><img src="paste-9e8019103c346073b358f3b23b79416178cdc519.jpg"> | |
| Back | X (Don't Care) means I don't care what the value of this input is. |
Note 10: ETH::2. Semester::DDCA
Note Type: Horvath Cloze
GUID:
M{Tz&Xi?.~
Previous
Note did not exist
New Note
Front
Back
Field-by-field Comparison
| Field | Before | After |
|---|---|---|
| Text | Every unique location in memory is indexed with a unique {{c1::address}}. | |
| Extra | 4 locations require 2 address bits (log[#locations]). |
Note 11: ETH::2. Semester::DDCA
Note Type: Horvath Classic
GUID:
NO,[UqkjjY
Previous
Note did not exist
New Note
Front

Back

Field-by-field Comparison
| Field | Before | After |
|---|---|---|
| Front | Address space size?<br><br><img src="paste-adeed554f607d7f9c2ae3a806f83b02c89cef624.jpg"> | |
| Back | 2 (total of 6 bits) |
Note 12: ETH::2. Semester::DDCA
Note Type: Horvath Occlusio
GUID:
cK)3)DLM_o
Previous
Note did not exist
New Note
Front
Back
Field-by-field Comparison
| Field | Before | After |
|---|---|---|
| Occlusion | {{c1::image-occlusion:rect:left=.8168:top=.9307:width=.1774:height=.0558:oi=1}}<br> | |
| Image | <img src="paste-8436c8f8af1bf260ebd78993c1d11a17c97c0dd2.jpg"> | |
| Header | Full Adder |
Note 13: ETH::2. Semester::DDCA
Note Type: Horvath Classic
GUID:
e.w!.^HZQk
Previous
Note did not exist
New Note
Front

Back

Field-by-field Comparison
| Field | Before | After |
|---|---|---|
| Front | What is this?<br><br><img src="paste-9ee9299a0aa47519e61e8ffe9cefcd2d2ffa51c2.jpg"> | |
| Back | An equality checker. |
Note 14: ETH::2. Semester::DDCA
Note Type: Horvath Classic
GUID:
g-~*^Ki!(:
Previous
Note did not exist
New Note
Front
How do we model this as a circuit?
Back
How do we model this as a circuit?

Field-by-field Comparison
| Field | Before | After |
|---|---|---|
| Front | Imagine a wire connecting the CPU and memory. At any time only the CPU or the memory can place a value on the wire, both not both.<br><br>How do we model this as a circuit? | |
| Back | You can have two tri-state buffers: one driven by CPU, the other memory; and ensure at most one is enabled at any time.<br><br><img src="paste-3e60268fdf3d3d4e9613807017fd11ee2dd4909f.jpg"> |
Note 15: ETH::2. Semester::DDCA
Note Type: Horvath Classic
GUID:
g.dcXCwTR^
Previous
Note did not exist
New Note
Front

Back

Field-by-field Comparison
| Field | Before | After |
|---|---|---|
| Front | How many locations and bits does this memory array have?<br><br><img src="paste-527c14fba71cb77a30a80a0db3ff30a5ca8a1b03.jpg"> | |
| Back | 4 locations X 3 bits |
Note 16: ETH::2. Semester::DDCA
Note Type: Horvath Classic
GUID:
g8HHZjvwjk
Previous
Note did not exist
New Note
Front
Back

\(Q\) takes the value of \(D\), when write enable (WE) is set to 1.
\(S\) and \(R\) can never be 0 at the same time!

Field-by-field Comparison
| Field | Before | After |
|---|---|---|
| Front | How do we guarantee correct operation of an R-S Latch? | |
| Back | We add two more NAND gates.<br><br><img src="paste-75ed2b046c6dd5698e1016b588d9baa5ff3affdf.jpg"><br><br>\(Q\) takes the value of \(D\), when write enable (WE) is set to 1.<br>\(S\) and \(R\) can never be 0 at the same time!<br><br><img src="paste-d6a38ff36eeae6a05033cd1da3fa1f32da25717f.jpg"> |
Note 17: ETH::2. Semester::DDCA
Note Type: Horvath Classic
GUID:
h!H8&>iQx{
Previous
Note did not exist
New Note
Front
Back
Field-by-field Comparison
| Field | Before | After |
|---|---|---|
| Front | How do we determine the number of OR gates in a PLA? | |
| Back | The number of output columns in the truth table. |
Note 18: ETH::2. Semester::DDCA
Note Type: Horvath Classic
GUID:
iyge$&[U#_
Previous
Note did not exist
New Note
Front

Back

- Inputs: "Requestors" with priority levels
- Outputs: "Grant" signal for each requestor
Field-by-field Comparison
| Field | Before | After |
|---|---|---|
| Front | What is this?<br><br><img src="paste-50fbc0b6a9081d2f896cc292f56cc4a470bd44ab.jpg"> | |
| Back | A priority circuit.<br><ul><li>Inputs: "Requestors" with priority levels</li><li>Outputs: "Grant" signal for each requestor</li></ul> |
Note 19: ETH::2. Semester::DDCA
Note Type: Horvath Cloze
GUID:
jY?vAb-}P$
Previous
Note did not exist
New Note
Front
- Very cheap
- Much slower, access takes a long time, non-volatile
Back
- Very cheap
- Much slower, access takes a long time, non-volatile
Field-by-field Comparison
| Field | Before | After |
|---|---|---|
| Text | Pros and cons of other storage technology (flash memory, hard disk, tape)<br><ul><li>{{c1::Very cheap}}</li><li>{{c2::Much slower, access takes a long time, non-volatile}}</li></ul> |
Note 20: ETH::2. Semester::DDCA
Note Type: Horvath Classic
GUID:
kOBb
Previous
Note did not exist
New Note
Front

Back

Field-by-field Comparison
| Field | Before | After |
|---|---|---|
| Front | What does the Z mean here?<br><br><img src="paste-6aad4a37bc003259212e2f00d56e604b0cf5c2b8.jpg"> | |
| Back | Signal that is not driven by any circuit (e.g. open circuit, floating wire). |
Note 21: ETH::2. Semester::DDCA
Note Type: Horvath Classic
GUID:
kp|/N}vt~s
Previous
Note did not exist
New Note
Front
Back
Remember SOP: the number of possible minterms
Field-by-field Comparison
| Field | Before | After |
|---|---|---|
| Front | <div><strong>How do we determine the number of AND gates in a PLA?</strong></div> | |
| Back | For an n-input logic function, we need a PLA with 2ⁿ n-input AND gates.<br><strong><br>Remember SOP:</strong> the number of possible minterms |
Note 22: ETH::2. Semester::DDCA
Note Type: Horvath Classic
GUID:
m6MCp)pX:Q
Previous
Note did not exist
New Note
Front
Back

Field-by-field Comparison
| Field | Before | After |
|---|---|---|
| Front | What is the Uniting Theorem? | |
| Back | \(F=A\overline B+AB\)<br><br><img src="paste-544b792a3b0a0008ec05e73f83984d8d6b36adab.jpg"> |
Note 23: ETH::2. Semester::DDCA
Note Type: Horvath Classic
GUID:
nZ:%JyRTd=
Previous
Note did not exist
New Note
Front
Back
E.g. here addressability is 8 bits.

Field-by-field Comparison
| Field | Before | After |
|---|---|---|
| Front | What is Addressability? | |
| Back | The number of bits of information stored in each location. <br><br>E.g. here addressability is 8 bits.<br><br><img src="paste-cdfafca1398985f93cea204a6b7b7073d008729e.jpg"> |
Note 24: ETH::2. Semester::DDCA
Note Type: Horvath Classic
GUID:
o3LWZaHF!=
Previous
Note did not exist
New Note
Front
What is \(D_i\) here?

Back
What is \(D_i\) here?

Field-by-field Comparison
| Field | Before | After |
|---|---|---|
| Front | Writing to Memory<br><br>What is \(D_i\) here?<br><br><img src="paste-7e3105fcf0e2a3f5313495e28ac3d165f96c13ac.jpg"> | |
| Back | Input. |
Note 25: ETH::2. Semester::DDCA
Note Type: Horvath Classic
GUID:
padK$?kSq8
Previous
Note did not exist
New Note
Front
Back
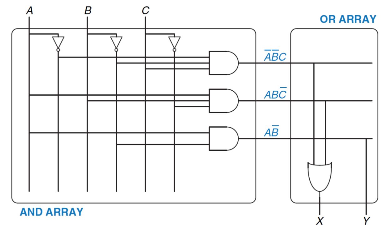
This is a simple programmable logic construct.

Field-by-field Comparison
| Field | Before | After |
|---|---|---|
| Front | How do we implement a logic function in a PLA? | |
| Back | Connect the output of an AND gate to the input of an OR gate if the corresponding minterm is included in the SOP.<br><br>This is a simple programmable logic construct.<br><br><img src="paste-2fbd7177ca3914ec569c4d1587320498ff0c8fa1.jpg"> |
Note 26: ETH::2. Semester::DDCA
Note Type: Horvath Cloze
GUID:
q)njawwNYM
Previous
Note did not exist
New Note
Front
Back

It acts like a switch.
Field-by-field Comparison
| Field | Before | After |
|---|---|---|
| Text | A tri-state buffer enables {{c1::gating of different signals onto a wire}}. | |
| Extra | <img src="paste-6aad4a37bc003259212e2f00d56e604b0cf5c2b8.jpg"><br><br>It acts like a switch. |
Note 27: ETH::2. Semester::DDCA
Note Type: Horvath Cloze
GUID:
q,=4BpC=Eo
Previous
Note did not exist
New Note
Front
- Data is stored at Q (inverse at Q')
- S and R are control inputs
- In quiescent(idle) state, both S and R are held at 1
- S (set): drive S to 0 (keeping R at 1) to change Q to 1
- R (reset): drive R to 0 (keeping S at 1) to change Q to 0
Back
- Data is stored at Q (inverse at Q')
- S and R are control inputs
- In quiescent(idle) state, both S and R are held at 1
- S (set): drive S to 0 (keeping R at 1) to change Q to 1
- R (reset): drive R to 0 (keeping S at 1) to change Q to 0

S and R should not both be 0 at the same time.
Field-by-field Comparison
| Field | Before | After |
|---|---|---|
| Text | R-S Latch<br><ul><li>Data is stored at {{c1::Q (inverse at Q')}}</li><li>S and R are {{c2::control inputs}}</li><ul> <li>In quiescent(idle) state, {{c3::both S and R are held at 1}}</li><li>S (set): {{c4::drive S to 0 (keeping R at 1) to change Q to 1}}</li><li>R (reset): {{c4::drive R to 0 (keeping S at 1) to change Q to 0}}</li></ul></ul> | |
| Extra | <img src="paste-d484990009a33988ad2d3a060d667ec92928c41c.jpg"><br><br>S and R should not both be 0 at the same time. |
Note 28: ETH::2. Semester::DDCA
Note Type: Horvath Cloze
GUID:
qks
Previous
Note did not exist
New Note
Front
Back
Field-by-field Comparison
| Field | Before | After |
|---|---|---|
| Text | The set of gates {AND, OR, NOT} is {{c1::logically complete}} because we can build a circuit to carry out the specification of any truth table we wish, without using any other kind of gate. |
Note 29: ETH::2. Semester::DDCA
Note Type: Horvath Cloze
GUID:
s>dpZ2?aZt
Previous
Note did not exist
New Note
Front
Back
Field-by-field Comparison
| Field | Before | After |
|---|---|---|
| Text | {{c1::Memory}} is comprised of locations that can be written to or read from. |
Note 30: ETH::2. Semester::DDCA
Note Type: Horvath Cloze
GUID:
sc1PEC3C0X
Previous
Note did not exist
New Note
Front
Back
Field-by-field Comparison
| Field | Before | After |
|---|---|---|
| Text | The entire set of unique locations in memory is referred to as {{c1::the address space}}. |
Note 31: ETH::2. Semester::DDCA
Note Type: Horvath Classic
GUID:
spIlS+D;j=
Previous
Note did not exist
New Note
Front

Back

Field-by-field Comparison
| Field | Before | After |
|---|---|---|
| Front | Why is \(R=S=0\) illegal in a R-S Latch?<br><br><img src="paste-e939b3a4513b1cd81fee9957735bc8b234d94d58.jpg"> | |
| Back | <div>If \(R=S=0\), \(Q\) and \(Q'\) will both settle to 1, which <b>breaks</b> our invariant that \(Q \neq Q'\).</div><div><strong><br></strong></div> <div>If \(S\) and \(R\) transition back to 1 at the same time, \(Q\) and \(Q'\) begin to oscillate between 1 and 0 because their final values depend on each other (<strong>metastability</strong>).</div><div><br></div><div>This eventually settles depending on <strong>variation in the circuits</strong> (more on this in the <strong>Timing Lecture</strong>).</div> |
Note 32: ETH::2. Semester::DDCA
Note Type: Horvath Classic
GUID:
w,kFo*OkK6
Previous
Note did not exist
New Note
Front

Back

Has two stable states: \(Q=1\) or \(Q=0\).
Has a third possible "metastable" state with both outputs oscillating between 0 and 1 (we will see this later).
Not useful without a control mechanism for setting Q.

Field-by-field Comparison
| Field | Before | After |
|---|---|---|
| Front | What is this?<br><br><img src="paste-efd9c52b653ff9b4a9524a61121fca9066d0842e.jpg"> | |
| Back | Cross-Coupled Inverters.<br><br>Has two stable states: \(Q=1\) or \(Q=0\).<br>Has a third possible "metastable" state with both outputs oscillating between 0 and 1 (we will see this later).<br><br>Not useful without a <b>control mechanism </b>for setting Q.<br><br><img src="paste-40fef199fe312874c26dd3080f9b553c5504e4ee.jpg"> |
Note 33: ETH::2. Semester::DDCA
Note Type: Horvath Classic
GUID:
w0Wk-s@q$K
Previous
Note did not exist
New Note
Front
Back

Field-by-field Comparison
| Field | Before | After |
|---|---|---|
| Front | What does an ALU do? | |
| Back | It combines a variety of arithmetic and logical operations into a single unit (that performs only one function at a time).<br><br><img src="paste-d4c76084858a27a2bc15385a19ee00e24b7fc095.jpg"> |
Note 34: ETH::2. Semester::DDCA
Note Type: Horvath Cloze
GUID:
wK&dW+a*q9
Previous
Note did not exist
New Note
Front
Back
Field-by-field Comparison
| Field | Before | After |
|---|---|---|
| Text | NAND and NOR are {{c1::logically complete}}. |
Note 35: ETH::2. Semester::DDCA
Note Type: Horvath Occlusio
GUID:
y6L!`3rg+h
Previous
Note did not exist
New Note
Front
Back
Field-by-field Comparison
| Field | Before | After |
|---|---|---|
| Occlusion | {{c1::image-occlusion:rect:left=.0066:top=.7908:width=.9822:height=.1903}}<br> | |
| Image | <img src="paste-56ccd7a0fecaeb262dc5922a407d2ee8a4c16d37.jpg"> | |
| Header | What's the difference between these two? |
Note 36: ETH::2. Semester::DDCA
Note Type: Horvath Cloze
GUID:
yixUKU?m~)
Previous
Note did not exist
New Note
Front
Find two-element subsets of the ON-set where only one variable changes its value. This single varying variable can be eliminated!
Back
Find two-element subsets of the ON-set where only one variable changes its value. This single varying variable can be eliminated!
Field-by-field Comparison
| Field | Before | After |
|---|---|---|
| Text | Essence of Simplification<br><br>Find two-element subsets of the ON-set where only one variable changes its value. This single varying variable can be {{c1::eliminated}}! |